Autor Tema: Cilindar kvačila  (Posjeta: 3458 )

0 Članova i 1 Gost pregledava ovu temu.

rover820

  • Gost
Cilindar kvačila
« : Rujna 29, 2012, 01:22:38 poslijepodne »
Pozdrav dečki.

Imam jedan problem. Prošli tjedan mi je kvačilo propalo i majstor veli da je u pitanju cilindar. No kad je promjenio pomoćni cilindar skužio je da je u pitanju i glavni cilindar. Sad, pomoćni sam platio 450kn a glavni navodno košta oko 1500. A to mi je pun k. Ali veli on dalje da je taj cilindar moguće reparirat i da se raspitam.

E sad ja pitam vas gdje bi to mogo reparirat? Kolko bi me koštalo? Dal negdje mogu kupit polovni glavni cilindar? Uglavnom, sve informacije su dobrodošle. Thnx.

Radi se o Roveru 820 Si. 1994. 2.0, 100kW



Offline Roverlike

  • Administrator
  • Heroj Član
  • *****
  • Postova: 872
  • Karma: +46/-1
  • Spol: Muški
Odg: Cilindar kvačila
« Odgovori #1 : Rujna 29, 2012, 02:25:44 poslijepodne »
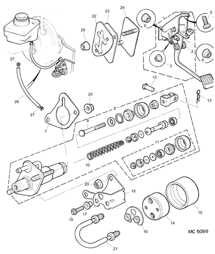
Ovo bi trebao biti tvoj glavni cilindar kvačila (master):



Ono št os emože reparirati je set brtvi na njemu pod brojem 11 na slici.

Ovdje ti je link na takav set: http://www.rimmerbros.co.uk/Item--i-18G8831EVA

Ako je nešto drugo u pitanju d dijelova, onda ovisi što ti je otišlo.

rover820

  • Gost
Odg: Cilindar kvačila
« Odgovori #2 : Rujna 29, 2012, 02:59:15 poslijepodne »
Slike konkretnog cilindra

http://imageshack.us/photo/my-images/96/20120929143828.jpg/

http://imageshack.us/a/img845/3897/20120929143846.jpg

http://imageshack.us/a/img267/3820/20120929143902.jpg

E sad je fora sto ja nemogu znat dal se mora reparirat ili šta? Mene zanima gdje mogu otić da mi neko pogleda to pa da procjeni.

Offline dadom5

  • Administrator
  • Heroj Član
  • *****
  • Postova: 2640
  • Karma: +134/-3
  • Spol: Muški
Odg: Cilindar kvačila
« Odgovori #3 : Rujna 29, 2012, 03:01:31 poslijepodne »
Novi cilindar kvačila da se naći i dosta jeftinije od 1500 kuna  :).....ovo je iz Intercarsovog kataloga ,raspitaj se kod više prodavača autodijelova !


Kit (gumice)za popravak glavnog cilindra kvačila kod njih dođu 35 kuna.....


Za repariranje obrati se u Gumametal siguran sam da to mogu riješiti bez problema....u cilindru ti je istrošena gumica te kada stišćeš pedalu kočnice dolazi do propuštanja ulja unutar cilindra.....dečki rade za svaku pohvalu !!!
http://www.tvrtke.com/gumametal,PID-8,MF-46383.aspx

Offline Roverlike

  • Administrator
  • Heroj Član
  • *****
  • Postova: 872
  • Karma: +46/-1
  • Spol: Muški
Odg: Cilindar kvačila
« Odgovori #4 : Rujna 29, 2012, 03:02:08 poslijepodne »
Tvoje slike odgovaraju skici. To je isti cilindar. Da li tvoj cilindar curi, mislim na ulje iz njega?

rover820

  • Gost
Odg: Cilindar kvačila
« Odgovori #5 : Rujna 29, 2012, 03:08:48 poslijepodne »
Neznam jel curi. Morat cu pitat majstora jel je curilo kad je on gledo.

Znači ti predlažeš da odnesem taj cilindar dečkima iz gumametala pa da pogledaju?

Offline dadom5

  • Administrator
  • Heroj Član
  • *****
  • Postova: 2640
  • Karma: +134/-3
  • Spol: Muški
Odg: Cilindar kvačila
« Odgovori #6 : Rujna 29, 2012, 03:13:14 poslijepodne »
Definitivno odnesi u Gumametal,cijena repariranja kod njih je od 100-150 kuna,a rade za svaku pohvalu !!!

rover820

  • Gost
Odg: Cilindar kvačila
« Odgovori #7 : Listopada 01, 2012, 10:27:18 prijepodne »
Da li oni sami sve poprave ili ja moram kupit taj kit za popravak i zajedno sve odnest tamo? Zovem ih danas kasnije

Offline Roverlike

  • Administrator
  • Heroj Član
  • *****
  • Postova: 872
  • Karma: +46/-1
  • Spol: Muški
Odg: Cilindar kvačila
« Odgovori #8 : Listopada 01, 2012, 10:37:20 prijepodne »
Nemam iskustava sa Gumametalom (ja to radim u drugačijoj režiji), pa čemo morati pričekati Dadu za info.

Offline dadom5

  • Administrator
  • Heroj Član
  • *****
  • Postova: 2640
  • Karma: +134/-3
  • Spol: Muški
Odg: Cilindar kvačila
« Odgovori #9 : Listopada 01, 2012, 02:47:15 poslijepodne »
Oni sve riješe,ništa nemoraš kupovati  :)

rover820

  • Gost
Odg: Cilindar kvačila
« Odgovori #10 : Listopada 06, 2012, 09:39:48 prijepodne »
Pozdrav dečki. Evo samo želim pohvalit Gumametal na dobro obavljenom poslu i preporučam ih. Sve riješeno poštom. Znači poslao sam im cilindar i dobio ga nazad za 3 dana, također poštom. Sve radi kako treba.

Evo i slike kako to izgleda nakon reparacije:
http://imageshack.us/a/img90/9595/20121004183416.jpg

rover820

  • Gost
Odg: Cilindar kvačila
« Odgovori #11 : Listopada 06, 2012, 09:42:04 prijepodne »
Također hvala i Roverlikeu i Dadom5 na pomoći

Offline Roverlike

  • Administrator
  • Heroj Član
  • *****
  • Postova: 872
  • Karma: +46/-1
  • Spol: Muški
Odg: Cilindar kvačila
« Odgovori #12 : Listopada 06, 2012, 10:54:35 prijepodne »
Drago mi je čuti da je sve popravljeno i da si zadovoljan sa urađenim!

Offline dadom5

  • Administrator
  • Heroj Član
  • *****
  • Postova: 2640
  • Karma: +134/-3
  • Spol: Muški
Odg: Cilindar kvačila
« Odgovori #13 : Listopada 06, 2012, 08:50:26 poslijepodne »
Drago mi je čuti da je sve popravljeno i da si zadovoljan sa urađenim!
:iagree:  :)

Offline rover7777

  • Heroj Član
  • *****
  • Postova: 564
  • Karma: +1/-0
  • Spol: Muški
Odg: Cilindar kvačila
« Odgovori #14 : Listopada 07, 2012, 09:06:50 poslijepodne »
tko je god radio sa Gumametalom sigurno je zadovoljan, osobno sa njima radio hrpu stvari i sve 5....a nije reklama ali rade cilindre hidraulike svih vrsta a i sve vrste zračnih cilindara i sve što je opčenito guma-metal cilindar
ROVER 25 1.4 16V LPG

Roveraši.org

Odg: Cilindar kvačila
« Odgovori #14 : Listopada 07, 2012, 09:06:50 poslijepodne »